欢迎光临~苏州萨沃纳国昆消防
服务热线 全国服务热线:

133-7212-5666

EFi75xx防爆轴流风机

型号:EFi75xx
风量:4250m3/hr
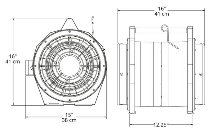
体积:406/381/406mm
电话:133-7212-5666
产品描述:【苏州萨沃纳】供应EFi75xx防爆轴流风机,此款EFi75xx便携式防爆风机常用于易燃易爆环境、受限密闭空间通风换气使用,化工厂防爆风机,实验室防爆风机,便携式防爆风机,储罐防爆通风机.询:133-7212-3999

一、EFi75xx防爆轴流风机特点:
1、EFi75xx防爆轴流风机获得ATEX认证,可在易爆环境中安全使用;
2、EFi75xx防爆轴流风机铝制涡轮叶片经过高精度动平衡调节;
3、高强度,耐化学药剂,碳化ABS机壳可将静电安全传输至地面;
4、密闭开关盒进过IP65雨淋测试;
5、EFi75xx防爆轴流风机内置风管适配器;
6、安全传输易爆危险气体;
7、正负压风机,可根据使用环境不同选择抗静电或非抗静电的20cm/30cm风管;
8、EFi75xx防爆轴流风机属于正负压排烟通风,可根据不同使用环境选择抗静;
9、电或非抗静电直径20cm 或30cm风管(直径20cm风管要求配套使用风管适配器);
二、EFi75xx防爆轴流风机参数表:

型号

EFi75xx

货号

EB7201xx

无阻碍风量

4250m3/hr

4.6m米风管 1-90° 转角

2829m3/hr

7.6m米风管 1-90° 转角

2599m3/hr

风机直径30cm

重量

20kg

体积(高/宽/长)

406/381/406mm

噪音

89db

发动机功率

0.5kW

电源

115/230VAC,1ø,50/60Hz

启动电流/运行电流

230V:27A/230V:5A

认证证书

CE,ATEX  II 2 G Ex de IIB T6 GB

7.6m抗静电风管

FDT-1225CBB

4.6m抗静电风管

FDT-1215CBB

风管适配器

DC12

三、EFi75xx防爆轴流风机结构图:

四、EFi75xx防爆轴流风机使用案例:


在线询价

用手机扫描二维码关闭
二维码
版权所有:昆山市玉山镇国昆消防工程技术服务部 备案号:苏ICP备2023031317号-7