型号:AFi75xx
风量:3471m3/hr
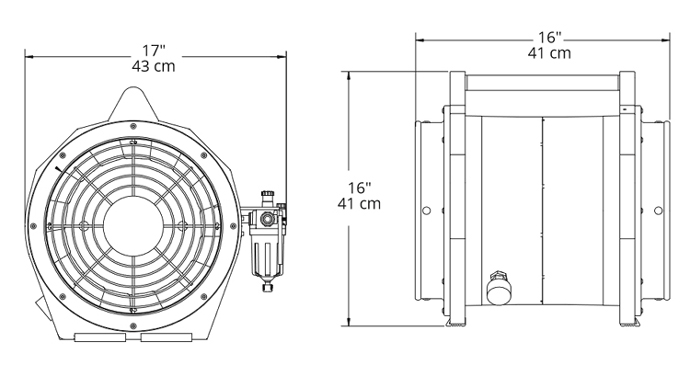
体积:410/430/410mm
电话:133-7212-5666
产品描述:【苏州萨沃纳】供应AFi75xx便携式气动防爆通风机,此款AFi75xx气动防爆排烟机属于气动正负压排烟机,AFi75xx气动防爆风机常用于化工厂,实验室,储罐等易燃易爆环境通风,密闭受限空间防爆排烟机
,咨询:133-7212-5666
一、AFi75xx便携式气动防爆通风机特点:
1、AFi75xx便携式气动防爆通风机可在易爆环境中安全使用;
2、AFi75xx便携式气动防爆通风机采用空气驱动,属于气动轴流风机;
3、铝制涡轮叶片经过高精度动平衡调节;
4、高强度,含玻纤加强型ABS机壳,轻巧,防腐,耐化学药剂,耐用,PC / ABS防静电外壳具有防风雨,抗凹陷,v0阻燃和耐化学腐蚀性;
5、AFi75xx便携式气动防爆通风机配备风管适配器;
6、配排气管,压缩空气带动烟机运行;
7、配备过滤器,马达润滑器,排气消声器,空气控制;
8、阀及静电接地器,2个集成管道适配器,静电接地线;
9、紧凑型气动风机, 气动马达在管道外排气。
二、AFi75xx便携式气动防爆通风机参数表:
产品型号 | AFi75xx |
产品货号 | AB7000 |
无阻碍风量 | 3471m3/hr |
空气消耗量 | 68 m3/hr |
感应比例 | 51:1 |
| 风机直径 | 30cm |
重量 | 15kg |
体积(h/w/d) | 410/430/410mm |
| 压缩机功率 | 4.77kw |
噪音 | 89dB |
气动马达 | GAST-4AM-NRV-50C |
认证证书 | CE |
三、AFi75xx便携式气动防爆通风机结构图:

三、AFi75xx便携式气动防爆通风机结构图:

联系人:沈先生
手 机:133-7212-5666
邮 箱:China@swn.cn
公 司:苏州萨沃纳国昆消防
地 址:江苏省昆山市春晖路666号