型号:UB20xx
风量:1666m3/hr
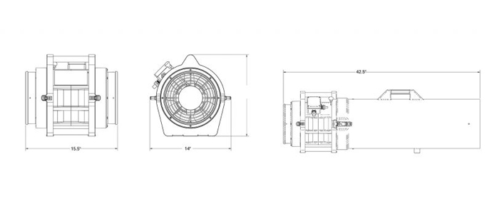
体积:356/305/365mm
电话:133-7212-5666
产品描述:【苏州萨沃纳】供应UB20xx便携式防爆通风机,此款UB20xx防爆风机常用于易燃易爆环境通风换气使用,化工厂防爆风机,实验室防爆风机,便携式防爆风机,储罐防爆通风机.询:133-7212-5666
一、UB20xx便携式防爆通风机特点:
1、UB20xx便携式防爆通风机获得安全防爆ATEX认证,可以在易爆环境中安全使用;
2、UB20xx便携式防爆通风机体积小,质量轻;
3、坚固双壁机壳,耐腐蚀,抗撞击,耐化学药剂,防雨淋;
4、UB20xx便携式防爆通风机超静音运行;
5、马达及整机都通过了美国ATEX防爆认证,可用于易燃易爆环境;
6、新加强的外壳防撞击,防化学品,抗老化,坚固耐久;
7、风机防护罩,拉/按钮开关及自动热断路功能马达多种安全特性;
8、结构紧凑,重量轻,噪音小,轻巧便携式设计;
9、粗大排气孔,高达1666m3/h出风量,且风量集中;
10、与风筒管配合使用,只需简单几步即可工作;
二、UB20xx便携式防爆通风机参数表:
型号 | UB20xx |
自由风量 | 1666m3/hr |
4.6m 1-90°转角 | 1120m3/hr |
4.6m 2-90°转角 | 947m3/hr |
7.6m 1-90°转角 | 1025m3/hr |
7.6m 2-90°转角 | 867m3/hr |
风机直径 | 20cm |
重量 | 10kg |
体积 | 356/305/365mm |
| 电源线长度 | 9米 |
噪音 | 74db |
功率 | 0.25kW |
电源 | 220VAC,1ø |
运行电流 | 1.2a |
认证证书 | CE ATEX |
三、UB20xx便携式防爆通风机结构图:

四、UB20xx便携式防爆通风机使用案例:

联系人:沈先生
手 机:133-7212-5666
邮 箱:China@swn.cn
公 司:苏州萨沃纳国昆消防
地 址:江苏省昆山市春晖路666号